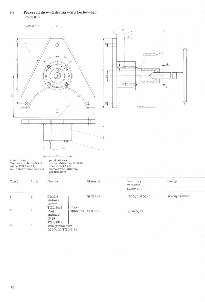
<- Back | Index | Next ->

80.JPG